تلبي سلسلة RCS الخاصة بنا ، من خلال التصميم المهني والإنتاج التقني ، الاحتياجات المتنوعة لأختام تقلب قضيب المكبس ، مما يوفر حلولًا دقيقة من السيناريوهات العامة إلى ظروف العمل المتطرفة.
فيما يتعلق بالتصميم الهيكلي ، تتمحور النماذج الأساسية على الاستقرار وسهولة الاستخدام: RCS101/103 يعزز تضمين الاستقرار من خلال حلقات O قبل الزائد أو الشفاه المساعدة ، وخاصة للسكتات الدماغية القصيرة ؛ يدعم RCS102/104R/117R ضغوطًا أعلى من خلال تحسين توافق المواد والأخدود (مثل RCS102R لسيناريوهات الضغط العالي ذات الأخدود القياسية). بالنسبة للأنظمة الهوائية ، يتبنى RCS105/205 تصميمًا خاصًا للشفاه للحفاظ على فيلم زيت التشحيم والتكيف مع بيئات التشحيم/عدم التصميم.
يركز Ruichen Seals أيضًا على الابتكار المادي والوظيفي. تستخدم نماذج مثل RCS118/119/124-129 polytetrafluoroethylene (PTFE) أو البولي يوريثان كجسم رئيسي ، جنبًا إلى جنب مع نوابض Mander أو الحلقات O لتحقيق التوازن بين الضغط ، لتحقيق الاحتكاك المنخفض ، وارتداء مضاد للجفاف ، ومقاومة التآكل ، وتلبية المتطلبات النظيفة ومتطلبات درجة الحرارة العالية للمواد الكيميائية. يمكن أن يشكل RCS129 نظام ختم مع RCS101 ، وهو مناسب لآلات المشي والمعدات الهيدروليكية الثقيلة ؛ RCS126-128 يعمل على تحسين الختم المنخفض الضغط من خلال تصميم V-PICE غير المتماثل ويتم تخصيصه للصناعة الصيدلانية والكيميائية.
بالنسبة لظروف العمل المعقدة ، فإن RCS120/138 وغيرها من الأختام المزدوجة المفعول لها تصميم دعم متكامل ، وهو مقاوم للضغط العالي والتشويه والتكيف مع الأخاديد المضغوطة ؛ RCS131 هو بديل O-Ring ، وهو مقاوم للبثق والمقاومة الكيميائية ، وأصبح الخيار المفضل لصناعة الأغذية والصيدلانية. و RCS116/216 يمكنه إصلاح الأسطوانات القديمة بسرعة من خلال تثبيت المباراة لتقليل تكاليف التوقف.
تساعد سلسلة RCS العملاء على التغلب على الضغط العالي والسرعة العالية والوسائط المسببة للتآكل والتحديات الخاصة في الصناعة ، وتحسين موثوقية المعدات والحياة.
ميزات وتطبيقات المنتج:
أختام ختم قضيب المكبس مناسبة للأسطوانات والأسطوانات الهيدروليكية ، والمركبات الهندسية ، والآلات الزراعية ، والرافعات والمعدات الهيدروليكية البحرية ، وأدوات الآلة.
تستخدم في الآلات الصناعية الثقيلة ، والضغط ، والصناعة الكيميائية ، واسطوانات النفط السريع وصناعة المواد الغذائية لآلات تحديد المواقع ، وصناعة الأدوية.
المزايا
يتم تضمين أختام ختم قضيب المكبس في الأخدود بشكل ثابت ، مع نطاق درجة حرارة واسعة ، وأداء ختم ثابت وديناميكي ، وقدرة قوية على استرداد الزيت في ظل الظروف الديناميكية. الاحتكاك المنخفض ، لا زحف ، مقاومة عالية التآكل ، قيم ثابتة منخفضة وقيم احتكاك ، فقط أداء جيد لمكافحة الانصهار ، الموصلية الحرارية الجيدة ، ونطاق درجة حرارة واسعة.
مناسبة لقضبان المكبس القديمة ، والمفتح من النوع السهل لتثبيت الزحف.

RCS101
حجم الطلب
φd ...... القطر الخارجي
φd ...... القطر الداخلي
L ...... عرض الأخدود
| الانتهاء من السطح | ص tmax (ميكرون) | RA (ميكرون) |
| السطح المنزلق مطابقة الأختام المطاط/البولي يوريثان انزلاق السطح المطابق أختام PTFE | ≤2.5 ≤2 | ≤0.1-0.5 ≤0.05-0.3 |
| أخدود أسفل الجانب الأخدود | ≤6.3 ≤15 | ≤1.6 ≤3 |
| نسبة طول دعم ملف تعريف TP | 50 ٪ -95 ٪ |
|
| تسامح | |
| φd | F8 |
| φd | H10 |
مثال طلب
النموذج: RCS101
حجم الأخدود: 100x115x10
المواد: RC-PU-H

نوع الختم: RCS101 ، RCS102 ، RCS103 ، RCS104 ، RCS205 ، RCS106 ، RCS107 ، RCS108 ، RCS117 ، RCS121
التطبيق الرئيسي: مناسبة للأسطوانات الهيدروليكية والهدية
المزايا: التضمين المستقر في الأخدود ، نطاق درجات الحرارة الواسعة ، أداء ختم ثابت وديناميكي ممتاز ، قدرة قوية على استخراج الزيت في ظل الظروف الديناميكية.
المواد: البولي يوريثان ، المطاط
| ختم الأمثلة الأخدود | فيما يلي أبعاد الأخدود القياسية (يمكن إنتاج أختام الغبار من أي حجم ضمن نطاق الحجم) | ||||||||
![]() |
![]() |
φd | φd | L | ج/ق | الفجوة الأقصى للبثق | |||
| 100bar | 250bar | 400BAR | |||||||
| 5-24.9 | φd+8 | 6.3 | 4 | 0.50 | 0.35 | 0.25 | |||
| 25-49.9 | φd+10 | 8 | 5 | 0.50 | 0.35 | 0.25 | |||
| 50-149.9 | φd+15 | 10 | 7.5 | 0.50 | 0.35 | 0.25 | |||
| 150-229.9 | φd+20 | 14 | 10 | 0.50 | 0.35 | 0.25 | |||
| 300-499.9 | φd+25 | 17 | 12.5 | 0.50 | 0.35 | 0.25 | |||
| 500-699.9 | φd+30 | 25 | 15 | 0.50 | 0.35 | 0.25 | |||
| > 700 | φd+40 | 32 | 20 | 0.60 | 0.40 | 0.30 | |||
| > 1000 | φd+50 | 40 | 25 | 0.70 | 0.50 | 0.40 | |||

RCS109
حجم الطلب
φd ...... القطر الخارجي
φd ...... القطر الداخلي
L ...... عرض الأخدود
|
الانتهاء من السطح |
ص tmax (ميكرون) |
RA (ميكرون) |
|
السطح المنزلق مطابقة الأختام المطاط/البولي يوريثان انزلاق السطح المطابق أختام PTFE |
≤2.5
≤2 |
≤0.1-0.5
≤0.05-0.3 |
|
أخدود أسفل الجانب الأخدود |
≤6.3 ≤15 |
≤1.6 ≤3 |
|
نسبة طول دعم ملف تعريف TP |
50 ٪ -95 ٪ |
|
|
تسامح |
|
|
φd |
F8 |
|
φd |
H10 |
مثال طلب
النموذج: RCS109
حجم الأخدود: 100x115.1x6.3
المواد: PTFE3+NBR

نوع الختم: RCS109
التطبيق الرئيسي: المركبات الهندسية ، الآلات الزراعية ، الرافعات ، المعدات الهيدروليكية البحرية ، أدوات الآلة.
المزايا: الاحتكاك المنخفض ، لا زحف ، مقاومة عالية التآكل ، فقط أداء جيد لمكافحة الانصهار ، الموصلية الحرارية الجيدة ، أخدود التضمين المستقر ، نطاق درجات الحرارة الواسعة.
المادة: رباعي فلورو إيثيلين ، مطاط النتريل أو مطاط الفلور
|
ختم الأمثلة الأخدود |
فيما يلي أبعاد الأخدود القياسية (يمكن إنتاج أختام الغبار من أي حجم ضمن نطاق الحجم) |
||||||||
|
|
|
φd |
φd |
L |
ج/ق |
الفجوة الأقصى للبثق |
|||
|
100bar |
200bar |
400BAR |
|||||||
|
5-7.9 |
φd+4.9 |
2.2 |
2.45 |
0.30 |
0.20 |
0.15 |
|||
|
8-18.9 |
φd+7.3 |
3.2 |
3.64 |
0.40 |
0.25 |
0.15 |
|||
|
19-37.9 |
φd+10.7 |
4.2 |
5.35 |
0.40 |
0.25 |
0.20 |
|||
|
38-199.9 |
φd+15.1 |
6.3 |
7.55 |
0.50 |
0.30 |
0.20 |
|||
|
200-255.9 |
φd+20.5 |
8.1 |
10.25 |
0.60 |
0.35 |
0.25 |
|||
|
256-649.9 |
φd+24 |
8.1 |
12 |
0.60 |
0.35 |
0.25 |
|||
|
650-1000 |
φd+27.3 |
9.5 |
13.65 |
0.70 |
0.50 |
0.30 |
|||
|
> 1000 |
φd+38 |
13.8 |
19 |
1.00 |
0.70 |
0.50 |
|||

RCS110-112
حجم الطلب
φd ...... القطر الخارجي
φd ...... القطر الداخلي
L ...... عرض الأخدود
|
الانتهاء من السطح |
ص tmax (ميكرون) |
RA (ميكرون) |
|
السطح المنزلق مطابقة الأختام المطاط/البولي يوريثان انزلاق السطح المطابق أختام PTFE |
≤2.5
≤2 |
≤0.1-0.5
≤0.05-0.3 |
|
أخدود أسفل الجانب الأخدود |
≤6.3 ≤15 |
≤1.6 ≤3 |
|
نسبة طول دعم ملف تعريف TP |
50 ٪ -95 ٪ |
|
|
تسامح |
|
|
φd |
F8 |
|
φd |
H10 |
مثال طلب
النموذج: RCS110-112
حجم الأخدود: 100x120x32
المواد: RC-PU-H+POM

نوع الختم: RCS110-112 ، RCS126-128
التطبيق الرئيسي: للآلات الصناعية الثقيلة ، والضغط
المزايا: مناسبة لقضبان المكبس القديمة ، والمفتح من النوع السهل لتثبيت الزاحف
المادة: البولي يوريثان ، بوليوكسيمي ميثيلين ، نايلون
|
ختم الأمثلة الأخدود |
فيما يلي أبعاد الأخدود القياسية (يمكن إنتاج أختام الغبار من أي حجم ضمن نطاق الحجم) |
|||||
|
|
|
φd |
φd |
L |
ج/ق |
|
|
10-39.9 |
φd+10 |
16 |
5 |
|||
|
40-74.9 |
φd+15 |
25 |
7.5 |
|||
|
75-149.9 |
φd+20 |
32 |
10 |
|||
|
150-199.9 |
φd+25 |
40 |
12.5 |
|||
|
200-299.9 |
φd+30 |
50 |
15 |
|||
|
300-599.9 |
φd+40 |
63 |
20 |
|||
|
> 600 |
φd+40 |
80 |
20 |
|||
|
> 1000 |
φd+50 |
100 |
25 |
|||

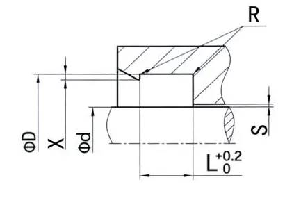
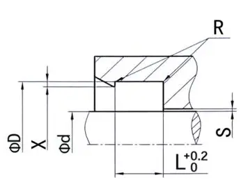
RCS119
حجم الطلب
φd ...... القطر الخارجي
φd ...... القطر الداخلي
L ...... عرض الأخدود
|
الانتهاء من السطح |
ص tmax (ميكرون) |
RA (ميكرون) |
|
السطح المنزلق مطابقة الأختام المطاط/البولي يوريثان انزلاق السطح المطابق أختام PTFE |
≤2.5
≤2 |
≤0.1-0.5
≤0.05-0.3 |
|
أخدود أسفل الجانب الأخدود |
≤6.3 ≤15 |
≤1.6 ≤3 |
|
نسبة طول دعم ملف تعريف TP |
50 ٪ -95 ٪ |
|
|
تسامح |
|
|
φd |
F8 |
|
φd |
H10 |
مثال طلب
النموذج: RCS119
حجم الأخدود: 100x109.4x7.1
المواد: PTFE2+NBR

نوع الختم: RCS119
التطبيق الرئيسي: الصناعة الكيميائية ، الأسطوانات السريعة وآلات تحديد المواقع. صناعة الأغذية ، صناعة الأدوية.
المزايا: مقاومة لدرجات الحرارة العالية والوسائط الكيميائية المختلفة ، ومعامل الاحتكاك المنخفض ، ولا زحف ، وخصائص الاحتكاك الجاف الجيد ، وقيم الاحتكاك الثابتة المنخفضة.
المواد: PTFE+ورقة الربيع
|
ختم الأمثلة الأخدود |
فيما يلي أبعاد الأخدود القياسية (يمكن إنتاج أختام الغبار من أي حجم ضمن نطاق الحجم) |
|||||||||
|
|
|
φd |
φd |
L |
R |
X |
الفجوة الأقصى للبثق |
|||
|
100bar |
200bar |
400BAR |
||||||||
|
10-19.9 |
D+4.5 |
3.6 |
0.4 |
0.6 |
0.15 |
0.10 |
0.07 |
|||
|
20-39.9 |
D+6.2 |
4.8 |
0.6 |
0.7 |
0.20 |
0.15 |
0.08 |
|||
|
40-119.9 |
D+9.4 |
7.1 |
0.8 |
0.8 |
0.25 |
0.20 |
0.10 |
|||
|
120-1000 |
D+12.2 |
9.5 |
0.8 |
0.9 |
0.30 |
0.25 |
0.12 |
|||
|
> 1000 |
D+19.0 |
15 |
0.8 |
0.9 |
0.50 |
0.40 |
0.20 |
|||



















































































عنوان
رقم 1 طريق رويتشن، مجمع دونغليوتينغ الصناعي، منطقة تشنغيانغ، مدينة تشينغداو، مقاطعة شاندونغ، الصين
هاتف
بريد إلكتروني