نحن ملتزمون بتوفير محلول الثالوث على مدار فترة مقاومة للحماية لكل سيناريو يتطلب تحويل الأختام الدوارة. من خلال 200+ صيغ مادية وبراءات اختراع هيكلية ، نساعد العملاء على تقليل معدلات الفشل وتحقيق تحسين TCO. السلسلة الكاملة من نماذج المنتجات متنوعة للغاية. يمكنك الاختيار وفقًا للاحتياجات الفعلية ، أو تخصيص الأختام الدوارة منا.
RCR101 الهيكل العظمي الدوار ختم الشفة المفرد ، التمثيل المفرد ، تثبيت الأخدود المفتوح المحوري ، يستخدم على نطاق واسع ، ويستخدم في الغالب كعنصر وقائي للمحامل.
RCR102 هيكل عظمي دوار مزدوج الشفاه ، التمثيل الفردي ، مع شفة مساعدة مقاومة للغبار ، تثبيت الأخدود المفتوح المحوري ، يستخدم على نطاق واسع ، يستخدم في الغالب كعنصر وقائي للمحامل.
RCR103 SEAL ROTARY ، التمثيل المزدوج ، مع حلقة الدعم ، تأثير ختم أفضل في ظل ظروف الختم الدوارة عالية الضغط.
RCR104 ، RCR105 Rotary Seal ، تمثيل مزدوج ، أخدود ضيق ، أخدود مستقر ، وسطح الختم المسنن.
RCR106 ، RCR107 V ROTARY SEAL ، حركة محورية ، معامل مرن كبير ، مقاومة الاحتكاك ، الغبار ، الملوثات ، رش الماء ، رش الزيت ، إلخ.
RCR108 ROTARY SEAL ، التمثيل الفردي ، لا ربيع ، يتم تحديد تداخل الشفاه الداخلية والخارجية وفقًا لظروف العمل المختلفة.
RCR109 O-Ring ، حلقة مرنة تستخدم في الغالب في الختم الثابت أو الختم الديناميكي ، والاختيار المتوسطة لدرجة الحرارة المرنة. للحصول على الأخاديد التفصيلية ، يرجى الرجوع إلى عينة الحلقة O.
RCR110 Rotary Tetrafluoroethylene Seal للعمود ، التمثيل المزدوج ، مناسبة للأخاديد الضيقة.
RCR111 Rotary Tetrafluoroethylene Seal للثقب ، التمثيل المزدوج ، مناسبة للأخاديد الضيقة.
RCR112 SEAL ROTARY ، التمثيل المزدوج ، الأخدود الضيق ، مناسبة لظروف العمل المشحمة.
RCR113 Seal Rotary Seal ، التمثيل المزدوج ، مع حلقة الدعم ، تضمين الأخدود المستقر ، مما يسمح بفجوة أكبر للبثق والضغط ، وتستخدم في الغالب على عمود الدوران لمعدات الحفر.
RCR115 ROTARY TETRAFLUOROETHYLENE SEAL للعمود ، التمثيل المزدوج ، الاحتكاك المنخفض ، الضغط العالي المضاد للجانب ، تآكل درجة حرارة عالية.
RCR116 ROTARY TETRAFLUOROETHYLENE SEAL للثقب ، والتمثيل المزدوج ، والاحتكاك المنخفض ، والضغط العالي المضاد للجانب ، وتآكل درجة الحرارة عالية.
RCR117 ، RCR121 Rotary PTFE SEAL ، مع MANDER Spring ، التمثيل الفردي ، مقاومة التآكل عالية درجة الحرارة ، مناسبة للسرعة العالية نسبيا والضغط العالي.
RCR118 END PTFE ROTARY SEAL ، مع MANDER Spring ، التمثيل الفردي ، مقاومة التآكل عالية الحرارة ، وتستخدم معظمها في الصناعة الكيميائية.
RCR119 الهيكل العظمي الدوار ختم الشفة المفرد ، التمثيل الفردي ، تثبيت الأخدود المفتوح المحوري ، يستخدم على نطاق واسع ، يستخدم في الغالب كعنصر وقائي للمحامل.
RCR201 ، RCR202 هيكل عظمي دوار مزدوج الشفاه ، التمثيل الفردي ، مع شفة مساعدة مقاومة للغبار ، تثبيت الأخدود المفتوح المحوري ، يستخدم على نطاق واسع ، ويستخدم في الغالب كعنصر وقائي للمحامل.
RCR203 ، RCR204 Rotary Skeleton Seal One Lip Seal ، Fingle Action ، Toxial Open Groove Fixture Fixture ، يستخدم معظمه في الصناعات الثقيلة مثل المعادن وبناء السفن.
RCR205 مقطوعة من الهيكل العظمي الخالي من الهيكل العظمي الخالي من الهيكل العظمي ، والتمثيل الفردي ، ومثنية الأخدود المفتوح المحوري ، وتستخدم معظمها في الصناعات الثقيلة مثل المعادن وبناء السفن.
RCR206 ، RCR207 Cut-Off Rotary Frameless Frameless Seal ، Fingle Action ، محوري مفتوح للأخدود الثابت ، يستخدم معظمه في الصناعات الثقيلة مثل المعادن وبناء السفن. مناسبة لختم منخفضة السرعة ، فإن وسيط الختم هو الشحوم القائمة على الليثيوم.
ميزات وتطبيقات المنتج:
التطبيقات الرئيسية
تعتبر الأختام الدوارة المنطوقة مناسبة لختم نهاية العمود الدوار ، وختم العمود الدوار ، والحفارات ، والمستعودات ، والمفاصل الدوارة ، والموزعين الدوارين ، وغالبًا ما يستخدم هذا النوع من الختم في الصناعات البترولية والكيميائية
المزايا
تحتوي الأختام الدوارة على مجموعة واسعة من الوسائط القابلة للتكيف ودرجات الحرارة ، وتأثير ختم جيد ، ومقاومة للضغط العالي ، وحجم مقطع مستعرض صغير ، ومقاومة للزيت الهيدروليكي ، والاحتكاك المنخفض ، وعدم وجود ظاهرة انزلاق.

RCR101
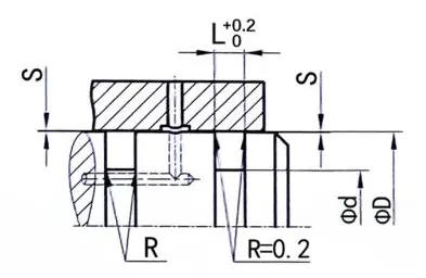
حجم الطلب
φd ...... القطر الخارجي
φd ...... القطر الداخلي
L ...... عرض الأخدود
|
الانتهاء من السطح |
ص tmax (ميكرون) |
RA (ميكرون) |
|
السطح المنزلق مطابقة الأختام المطاط/البولي يوريثان انزلاق السطح المطابق أختام PTFE |
≤2.5
≤2 |
≤0.1-0.5
≤0.05-0.3 |
|
أخدود أسفل الجانب الأخدود |
≤6.3 ≤15 |
≤1.6 ≤3 |
|
نسبة طول دعم ملف تعريف TP |
50 ٪ -95 ٪ |
|
|
تسامح |
|
|
φd |
F8 |
|
φd |
H8 |
مثال طلب
النموذج: RCR101
حجم الأخدود: 100x115x8
المواد: NBR/POM

نوع الختم: RCR101 ، RCR102
التطبيق الرئيسي: مناسب لتدوير ختم نهاية العمود
المزايا: مناسبة لمجموعة واسعة من الوسائط ونطاق درجة حرارة واسعة وتأثير ختم جيد
المادة: البولي يوريثان ، المطاط/البولي أكسيمي ميثلين
|
ختم الأمثلة الأخدود |
فيما يلي أبعاد الأخدود القياسية (يمكن إنتاج الأختام الدوارة من أي حجم ضمن نطاق الحجم) |
|||||
|
|
|
φd |
φd |
L |
ج/ق |
|
|
6-59.9 |
φd+12 |
7 |
6 |
|||
|
60-139.9 |
φd+15 |
8 |
7.5 |
|||
|
140-299.9 |
φd+20 |
10 |
10 |
|||
|
300-499.9 |
φd+30 |
12 |
15 |
|||
|
500-800 |
φd+40 |
20 |
20 |
|||
|
> 800 |
φd+50 |
22 |
25 |
|||

RCR115
حجم الطلب
φd ...... القطر الخارجي
φd ...... القطر الداخلي
L ...... عرض الأخدود
|
الانتهاء من السطح |
ص tmax (ميكرون) |
RA (ميكرون) |
|
السطح المنزلق مطابقة الأختام المطاط/البولي يوريثان انزلاق السطح المطابق أختام PTFE |
≤2.5
≤2 |
≤0.1-0.5
≤0.05-0.3 |
|
أخدود أسفل الجانب الأخدود |
≤6.3 ≤15 |
≤1.6 ≤3 |
|
نسبة طول دعم ملف تعريف TP |
50 ٪ -95 ٪ |
|
|
تسامح |
|
|
φd |
F8 |
|
φd |
H8 |
مثال طلب
النموذج: RCR115
حجم الأخدود: 100x111x4.2
المواد: PTFE4+NBR

نوع الختم: RCR115
التطبيق الرئيسي: مناسب لأختام العمود الدوار ، الحفارات ، المفاصل ، مفاصل دوار.
المزايا: يمكن أن تقاوم الضغط العالي ، وله حجم مستعرض صغير ، ومقاوم للزيت الهيدروليكي ، وله احتكاك منخفض ولا ظاهرة انزلاق.
المادة: tetrafluoroethylene + مطاط النتريل أو فلوروروببر
|
ختم الأمثلة الأخدود |
فيما يلي أبعاد الأخدود القياسية (يمكن إنتاج الأختام الدوارة من أي حجم ضمن نطاق الحجم) |
||||||||
|
|
|
φd |
φd |
L |
R |
X |
فجوة البثق القصوى |
||
|
100bar |
200bar |
||||||||
|
6-18.9 |
φd+4.9 |
2.2 |
0.4 |
1.78 |
0.15 |
0.10 |
|||
|
19-37.9 |
φd+7.5 |
3.2 |
0.6 |
2.62 |
0.20 |
0.15 |
|||
|
38-199.9 |
φd+11 |
4.2 |
1.0 |
3.53 |
0.25 |
0.20 |
|||
|
200-255.9 |
φd+15.5 |
6.3 |
1.3 |
5.33 |
0.30 |
0.25 |
|||
|
256-649.9 |
φd+21 |
8.1 |
1.8 |
7.00 |
0.30 |
0.25 |
|||
|
> 650 |
φd+28 |
9.5 |
2.5 |
8.40 |
0.45 |
0.30 |
|||

RCR116
حجم الطلب
φd ...... القطر الخارجي
φd ...... القطر الداخلي
L ...... عرض الأخدود
|
الانتهاء من السطح |
ص tmax (ميكرون) |
RA (ميكرون) |
|
السطح المنزلق مطابقة الأختام المطاط/البولي يوريثان انزلاق السطح المطابق أختام PTFE |
≤2.5
≤2 |
≤0.1-0.5
≤0.05-0.3 |
|
أخدود أسفل الجانب الأخدود |
≤6.3 ≤15 |
≤1.6 ≤3 |
|
نسبة طول دعم ملف تعريف TP |
50 ٪ -95 ٪ |
|
|
تسامح |
|
|
φd |
F8 |
|
φd |
H8 |
مثال طلب
النموذج: RCR116
حجم الأخدود: 100x89x4.2
المواد: PTFE4+NBR

نوع الختم: RCR116
التطبيق الرئيسي: مناسب لأختام نهاية العمود الدوار ، الحفارات ، المقربات ، المفاصل الدوارة ، الموزعين الدوارين.
المزايا: إنها مناسبة لمجموعة واسعة من الوسائط ودرجة الحرارة ، لها تأثير ختم جيد ، وحجم مستعرض صغير ، ومقاومة قوية للزيت الهيدروليكي ، والاحتكاك المنخفض ، وعدم وجود ظاهرة انزلاق.
المادة: tetrafluoroethylene + مطاط النتريل أو فلوروروببر
|
ختم الأمثلة الأخدود |
فيما يلي أبعاد الأخدود القياسية (يمكن إنتاج الأختام الدوارة من أي حجم ضمن نطاق الحجم) |
||||||||
|
|
|
φd |
φd |
L |
R |
O-Ring |
فجوة البثق القصوى |
||
|
100bar |
200bar |
||||||||
|
8-39.9 |
φd-4.9 |
2.2 |
0.4 |
1.78 |
0.15 |
0.10 |
|||
|
40-79.9 |
φd-7.5 |
3.2 |
0.6 |
2.62 |
0.20 |
0.15 |
|||
|
80-132.9 |
φd-11.0 |
4.2 |
1.0 |
3.53 |
0.25 |
0.20 |
|||
|
133-329.9 |
φd-15.5 |
6.3 |
1.3 |
5.33 |
0.30 |
0.25 |
|||
|
330-669.9 |
φd-21.0 |
8.1 |
1.8 |
7.00 |
0.30 |
0.25 |
|||
|
> 670 |
φd-28.0 |
9.5 |
2.5 |
8.40 |
0.45 |
0.30 |
|||

RCR117
حجم الطلب
φd ...... القطر الخارجي
φd1 ...... القطر الخارجي
φd ...... القطر الداخلي
L ...... عرض الأخدود
L1 ...... عرض الأخدود
|
الانتهاء من السطح |
ص tmax (ميكرون) |
RA (ميكرون) |
|
السطح المنزلق مطابقة الأختام المطاط/البولي يوريثان انزلاق السطح المطابق أختام PTFE |
≤2.5
≤2 |
≤0.1-0.5
≤0.05-0.3 |
|
أخدود أسفل الجانب الأخدود |
≤6.3 ≤15 |
≤1.6 ≤3 |
|
نسبة طول دعم ملف تعريف TP |
50 ٪ -95 ٪ |
|
|
تسامح |
|
|
φd |
F8 |
|
φd |
H8 |
مثال طلب
النموذج: RCR117
حجم الأخدود: 100x117.5x110.5x7.1x1.8
المواد: PTFE4+V.

نوع الختم: RCR117
التطبيق الرئيسي: مناسب لختم نهاية العمود الدوار ، غالبًا ما يستخدم هذا النوع من الختم في الصناعات البترولية والكيميائية
المزايا: احتكاك منخفض ومقاومة للتآكل ومقاومة درجة الحرارة العالية ومناسبة للسرعة العالية
المواد: PTFE ، ربيع الفولاذ المقاوم للصدأ
|
ختم الأمثلة الأخدود |
فيما يلي أبعاد الأخدود القياسية (يمكن إنتاج الأختام الدوارة من أي حجم ضمن نطاق الحجم) |
|||||||||
|
|
|
φd |
φd |
FD1 |
L |
L1 |
فجوة البثق القصوى |
|||
|
20bar |
100bar |
200bar |
||||||||
|
5-19.9 |
φd+9 |
φd+5 |
3.6 |
0.85 |
0.25 |
0.15 |
0.10 |
|||
|
20-39.9 |
φd+12.5 |
φd+7 |
4.8 |
1.35 |
0.35 |
0.20 |
0.15 |
|||
|
40-399.9 |
φd+17.5 |
φd+10.5 |
7.1 |
1.8 |
0.50 |
0.25 |
0.20 |
|||
|
≥400 |
φd+22 |
φd+14 |
9.5 |
2.8 |
0.60 |
0.30 |
0.25 |
|||



















































عنوان
رقم 1 طريق رويتشن، مجمع دونغليوتينغ الصناعي، منطقة تشنغيانغ، مدينة تشينغداو، مقاطعة شاندونغ، الصين
هاتف
بريد إلكتروني