يحتوي عنصر دليل إغلاق الضغط العالي على مجموعة متنوعة من الأنواع.
حلقة الدعم هي مكون أساسي مهم من الأسطوانة الهيدروليكية. لقد نجحت Ruichen Seal في تطوير حلقة دعم الفينول المقواة بالقطعة (الحزام) للامتثال لتطوير ختم حلقة الانزلاق الدولي وهيكل الدعم الناعم. بعد سنوات من الممارسة ، تتجاوز الجودة تلك الخاصة بالمنتجات الأجنبية المماثلة واستقبلت المستخدمون. يمكن استخدام جدول الأداء للرجوع إليه.
من حيث حزام التوجيه ، يضيف حزام Polytetraethylene دليل RC1081 مسحوق البرونز إلى PTFE ، وما إلى ذلك ، مع ارتفاع الحمل ، وارتداء منخفض ، احتكاك منخفض ولا خصائص زحف ؛ RC1082 حزام دليل الفينول RC1082 يعتمد مواد تعززها القماش الفينولي ، وقدرتها الحاملة للأحمال الشعاعية أفضل من حزام دليل PTFE. يتم تزويد كلاهما في لفات ، والتي يسهل قطعها وتثبيتها ، ويمكنها تجنب التلامس المعدني. يتم استخدام حلقات دليل RCS و RCT لقضيب المكبس والمكبس على التوالي.
تتميز الحلقات المقاومة للبلى بوظيفة توجيه المكبس أو قضيب المكبس بدقة في الأسطوانة الهيدروليكية وامتصاص القوة الشعاعية ، والتي يمكن أن تمنع ملامسة المعادن. بالمقارنة مع حلقات التآكل المعدني ، فإن حلقات التآكل غير المعدنية لها مزايا مقاومة التآكل ، وتجنب التلامس المعدني ، وقمع الاهتزاز ، والسماح بتصريح شعاعي أكبر ، وأخاديد بسيطة وسهولة التثبيت ، وتكاليف الصيانة المنخفضة. يتم استخدامها على نطاق واسع. من بينها ، تتوفر حلقات دليل الفينول و PTFE المقوى بالقطعة في أنواع القطع في الموقع وأنواع جاهزة للاستخدام.
من حيث الأكمام التوجيهية ، يتم استخدام GFAI لقضبان المكبس ، مع وظائف الدعم والتوجيه ومقاوم الغبار ؛ يستخدم GFI أيضًا لقضبان المكبس ، ولعب دورًا في الدعم والتوجيه ؛ يستخدم GFA للمكابس ، مما يوفر الدعم والتوجيه. تساعد هذه المنتجات الأسطوانات الهيدروليكية على العمل بشكل ثابت في جميع الجوانب.
ميزات وتطبيقات المنتج:
مثال على الطلب:
شريط دليل PTFE مثال على RC1081-9.7x2.5
دليل دليل القماش الفينوليين مثال على RC1082-9.7x2.5
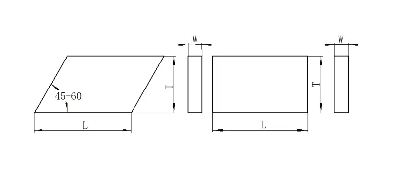
حساب طول القطع
للعمود: L = 3.1 (D+W) للفتحة: L = 3.1 (D-W)
L --- طول الحلقة D --- قطر العمود D --- قطر ثقب W --- سمك الحلقة z --- خلوص قطع
دليل الأكمام gfai
1.
2. المادة: نايلون PA ، poMoxymethylene pom و polytetrafluoroethylene ptfe.
3. ظروف العمل: درجة حرارة العمل: -55 ~+225 ℃ (يتم استخدام PTFE أعلى من 120 ℃).
4. معيار التصميم: عند التصميم والاختيار ، راجع سلسلة FAI لشركة الجوع.
5. طريقة وضع العلامات والطلب: دليل GFAI دليل على رقم الطلب ، مثال: GFAI-0600PTFE
دليل الأكمام GFI
1. الأداء والاستخدام: دليل GFI هو غلاف دليل لقضيب المكبس ، الذي يدعم ويرشد قضيب المكبس.
2. المادة: نايلون PA ، poMoxymethylene pom و polytetrafluoroethylene ptfe.
3. ظروف العمل: درجة حرارة العمل: -55 ~+255 ℃ (يستخدم PTFE أعلى من 120 ℃)
4. تصميم التصميم: عند التصميم والاختيار ، راجع سلسلة FI's Hunger.
5. طريقة وضع العلامات والطلب: تم وضع علامة على الأكمام GFI برقم الطلب ، مثال: GFI-0360PA
دليل الأكمام GFA
1. الأداء والاستخدام: دليل GFA هو دليل دليل للمكبس ، والذي يدعم ويرشد المكبس.
2. المادة: نايلون PA ، poMoxymethylene pom و polytetrafluoroethylene ptfe.
3. ظروف العمل: درجة حرارة العمل: -55 ~+255 ℃ (يستخدم PTFE أعلى من 120 ℃)
4. تصميم التصميم: عند التصميم والاختيار ، راجع سلسلة FA's Hunger.
5. طريقة وضع العلامات والطلب: تم وضع علامة على الأكمام GFA برقم الطلب ، على سبيل المثال: GFA-0560PA
6. الجهاز الهيكلي:
تحديد:
| نموذج | عرض الأخدود H+0.2 |
سماكة T - 0.05 |
سمك ر T - 0.05 |
سماكة T - 0.05 |
سماكة T - 0.05 |
سماكة T - 0.05 |
| RC1081/1082-4.2 | 4.2 | 1 | 1.55 | 2 | 2.5 | - |
| RC1081/1082-5.6 | 5.6 | 1.55 | 2 | 2.5 | - | - |
| RC1081/1082-6.3 | 6.3 | 1.55 | 2 | 2.5 | - | - |
| RC1081/1082-8.1 | 8.1 | 1.55 | 2 | 2.5 | - | - |
| RC1081/1082-9.7 | 9.7 | 2 | 2.5 | 3 | 3.5 | 4 |
| RC1081/1082-12.7 | 12.7 | 2 | 2.5 | 3 | 3.5 | 4 |
| RC1081/1082-15 | 15 | 2 | 2.5 | 3 | 3.5 | 4 |
| RC1081/1082-20 | 20 | 2 | 2.5 | 3 | 3.5 | 4 |
| RC1081/1082-25 | 25 | 2 | 2.5 | 3 | 3.5 | 4 |
| RC1081/1082-30 | 30 | 2 | 2.5 | 3 | 3.5 | 4 |
| RC1081/1082-35 | 35 | 2 | 2.5 | 3 | 3.5 | 4 |
| ملاحظة: سلسلة Boldface شائعة الاستخدام. إذا لم يكن المنتج المطلوب في هذا الجدول ، فيرجى الاتصال بنا. | ||||||
حلقة دعم الفينول المقوى بالقطعة (حزام)
حلقة الدعم هي مكون أساسي مهم للأسطوانة الهيدروليكية. من أجل التكيف مع تطوير الأختام ذات الحلقة المنزلق مجتمعة وهياكل تحمل ناعمة في العالم ، قامت شركتنا بنجاح بتطوير حلقات دعم الفينول المعززة على القماش (الأحزمة). لقد أظهرت سنوات من الاستخدام الفعلي أن هذا المنتج قد وصل أو تجاوز مستوى جودة المنتجات الأجنبية المماثلة وقد امتدح المستخدمون على نطاق واسع. الجداول من 1 إلى 4 هي جداول أداء حلقات الدعم (الأحزمة) التي تنتجها شركتنا.
الجدول 1 مقارنة بين الخصائص الفيزيائية لخاتم الدعم لدينا ومنتجات Busak+Shamba
| مصدر العينة | دعم سمك الحلقة (مم) | قوة الضغط (MPA) | معدل تغيير وزن مقاومة الزيت الزيت الهيدروليكي (70 ± 2 ℃*24h) | كسر القوة (MPA) | التصاق الطبقة البينية (KN/M) |
| الموضة+شامبا | 2.48 | 338.9 | 2.83 | 35.6 | 1.2 |
| منتجاتنا | 2.48 | 425 | 0.90 | 37.0 | 2.9 |
| 2.48 (مع الجرافيت) | 390 | 0.63 | 36.4 | 2.08 |
| نوع العينة | منتجاتنا | Orchot TLG ① | Duratec900 ① | Turcite47 ② | MT64/5B | Nokwr (يوم) | POMMOMTIFITY POLYOXYMETHYLENE | القط (الولايات المتحدة) | |
| القيمة المقاسة | المؤشرات المطلوبة | ||||||||
| قوة الضغط (MPA) | ≥350 | ≥330 | ≥350 | ≥280 | ≥50 | ≥270 | ≥150 | ≥80 | ≥217 |
| نوع العينة | منتجاتنا | Orchot TLG ① | Duratec900 ① | Turcite47 ② | MT64/5B | Nokwr (يوم) | POMMOMTIFITY POLYOXYMETHYLENE | القط (الولايات المتحدة) | |
| القيمة المقاسة | المؤشرات المطلوبة | ||||||||
| قوة الضغط (MPA) | ≥350 | ≥330 | ≥350 | ≥280 | ≥50 | ≥270 | - | ≥80 | ≥217 |
| تحميل لكل وحدة اتصال ث (ن/مم) | هيرتز الاتصال التتابع ΔH (n/mm2) | معامل الاحتكاك | |||
| حالة الاحتكاك الجاف | حالة تزييت بالتنقيط النفط | ||||
| منتجاتنا | Orchot TLG | منتجاتنا | Orchot TLG | ||
| 5.9 | 22.0 | 0.054 | 0.066 | 0.057 | 0.079 |
| 29.0 | 48.7 | 0.052 | 0.067 | 0.056 | 0.081 |
| 44.4 | 60.3 | 0.045 | 0.071 | 0.055 | 0.088 |
| 59.8 | 69.8 | 0.021 | 0.073 | 0.053 | 0.087 |
| 75.2 | 78.3 | 0.020 | 0.075 | 0.052 | 0.085 |
| مادة | PTFE+البرونز |
| إمداد | لفة (عادة حوالي 20 مترًا/لفة) أو قطع إلى الطول المطلوب |
| المزايا | 1. احتكاك منخفض ، لا زحف والعض. |
| 2. يمكن أن تعمل بشكل جيد حتى بدون تزييت كافٍ ؛ | |
| 3. مقاومة لمجموعة متنوعة من الوسائط ، والاستقرار الكيميائي الممتاز ؛ | |
| 4. يمكن أن تستوعب الأشياء الصلبة المضمنة في الحلقة المقاومة للارتداء لتقليل الكائنات الصلبة التي تخدش الأسطوانة والأختام ، لذلك في حالات التحميل الثقيل ، تستخدم حلقات متعددة مقاومة للارتداء ؛ | |
| 5. كما أن لديها مقاومة جيدة للارتداء في حالات التحميل العالي السرعة والضوء ، لذلك فهي الحلقة الأكثر استخدامًا على نطاق واسع ؛ | |
| 6. لا توجد قيود على الحجم ، يمكن استخدامها في مواقف قطر كبيرة. | |
| درجة حرارة | -60 ~+200 ℃ |
| السرعة القصوى | 15m/s |
| أقصى قوة البثق | 15n/mm2 (20 درجة) |
| 7.5N/mm2(80°) | |
| 5N/mm2(120°) |
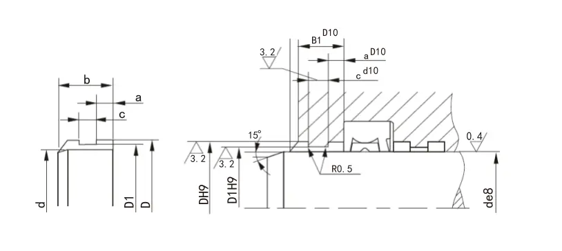
RCS خاتم دليل غير معدني لقضيب المكبس
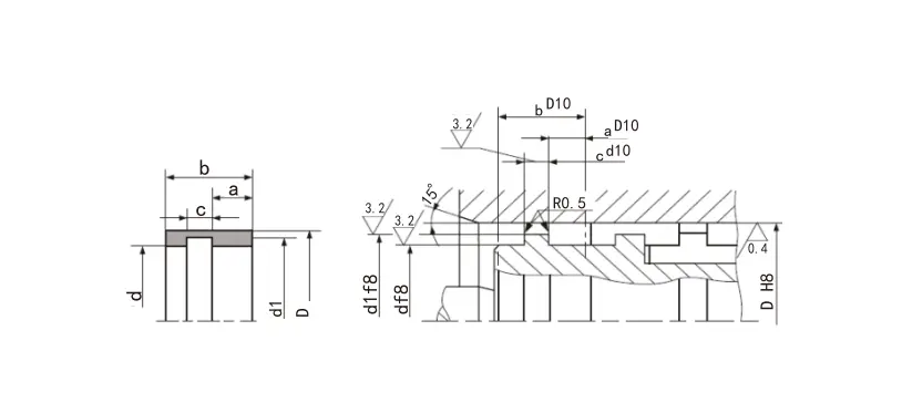
خاتم دليل غير معدني RCT للمكبس
بالنسبة للمكبس أو قضيب المكبس الذي يعمل في الأسطوانة الهيدروليكية ، فإن حلقة التآكل لها تأثير توجيهي دقيق ويمكن أن تمتص القوى الشعاعية. في الوقت نفسه ، يمكن أن تمنع حلقة التآكل التلامس المعدني للأجزاء المنزلق في الأسطوانة الهيدروليكية. بالمقارنة مع حلقات ارتداء المعادن ، فإن حلقات التآكل غير المعدنية لها العديد من المزايا. من بينها ، تتوفر حلقات دليل الفينول و PTFE المقوى بالقطعة في نوع القطع في الموقع ونوع جاهز للاستخدام.
1. مقاومة ارتداء جيدة
2. تجنب الاتصال المعدني إلى المعدن
3. يمكن قمع الاهتزاز الميكانيكي
4. بسبب تأثير توسيط الخاتم المقاوم للارتداء ، يُسمح بإزالة شعاعية كبيرة
5. الأخدود بسيط وسهل التثبيت
6. تكلفة الصيانة المنخفضة بناءً على المزايا المذكورة أعلاه ، يتم استخدامها على نطاق واسع
مادة:
1.
2. البوليوكسيمي ميثيلين بوم أو نايلون با ومواده المعدلة
3. راتنج الفورمالديهايد + تعزيز الألياف
جدول المقارنة لقدرة الحمل للمواد المختلفة (مرجع)
| مادة | سعة حمل الحد الأقصى (N/MM2) |
| مسحوق النحاس مملوءة PTFE | 15 (20 ℃) ؛ 7.5 (80 ℃) 5 (120 ℃) |
| مسحوق الفينول بقطعة قماش | 90 (60 ℃) ؛ 40 (80 ℃) |
| polyoxymethylene أو النايلون | 25 (60 ℃) ؛ 15 (80 ℃) |
| ممتلئ البولي أوكسي ميثيلين أو نايلون | 40 (60 ℃) ؛ 30 (80 ℃) |
| نعومة | RTMAX (ميكرون) | RA (ميكرون) |
| سطح الانزلاق | ≤2.5 | 0.05-0.3 |
| أخدود أسفل | ≤10 | ≤2 |
| الجانب الأخدود | ≤15 | ≤3 |
سلسلة مواصفات حلقة دليل قضيب المكبس
| قطر قضيب | القطر السفلي | عرض الأخدود | سماكة | فجوة |
|
قطر قضيب | القطر السفلي | عرض الأخدود | سماكة | فجوة |
| D F8/H9 | D H8 | L+0.2 | W | Z | D F8/H9 | D H8 | L+0.2 | W | Z | |
| 8-20 | D+3.1 | 2.5 | 1.55 | 1-2 | 200-999.9 | D+5 | 25 | 2.5 | 8-33 | |
| 10-50 | D+3.1 | 4 | 1.55 | 1-3 | 1000-4200 | D+5 | 25 | 2.5 | 33-134 | |
| 15-140 | D+5 | 5.6 | 2.5 | 2-5 | 280-999.9 | D+8 | 25 | 4 | 10-33 | |
| 20-220 | D+5 | 9.7 | 2.5 | 2-9 | 1000-2200 | D+8 | 25 | 4 | 33-70 | |
| 80-400 | D+5 | 15 | 2.5 | 4-15 |
|
|
|
|
|



























عنوان
رقم 1 طريق رويتشن، مجمع دونغليوتينغ الصناعي، منطقة تشنغيانغ، مدينة تشينغداو، مقاطعة شاندونغ، الصين
هاتف
بريد إلكتروني